MIDLAND 1001Z

Moderator: Moderatorzy

Awatar użytkownika
Jamszoł
Posty: 22193
Rejestracja: 29 lip 2006, 01:17
Lokalizacja: Kalisz
Pojemność: 2300
Rocznik: 2008
Generacja: MK4
Nadwozie: Kombi
Kontakt:

Post autor: Jamszoł »

WieSiu pisze:ale wyglada na to ze jeszcze elementy wejsciowe z anteny (chyba wzmacniacz sygnalu)
:mrgreen: :mrgreen: :mrgreen: :mrgreen:
Jamszoł pisze:że strzeliła końcówka mocy + wstępny wzmacniacz wejściowy .
:razz:
Oczy 6.11.2010/15.01.2020 [ 28.08.2012_16.30 ]
Illuminati75

Post autor: Illuminati75 »

Radyjko w sumie jest tak proste, że niewiele może tam strzelić. Ogólnie najczęściej z tego co wyczytałem wystarczy przelutować płytkę w okolicy toru w.cz.

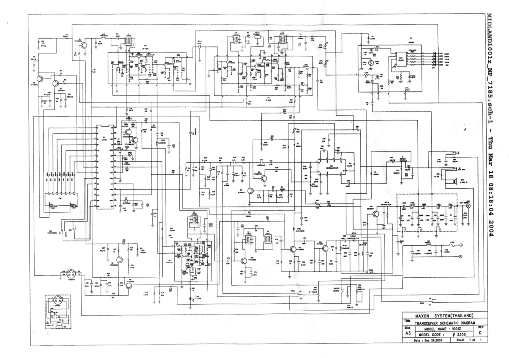
Jak się komuś przyda, to zamieszczam schemat. W załączniku instrukcja obsługi i schemat w lepszej jakości:
Załączniki
Midland 1001Z Schemat.pdf
(253.21 KiB) Pobrany 474 razy
Midland 1001Z Owner's Manual.pdf
(649.28 KiB) Pobrany 442 razy
midland1001.jpg
Awatar użytkownika
robertford
Posty: 1894
Rejestracja: 31 mar 2004, 16:52
Lokalizacja: Szczecin
Kontakt:

Post autor: robertford »

Uriel75 pisze:Rozkręcę to radio to zobaczę jak to wygląda, rzucę też okiem na schemat. Jeśli będą to dwa oddzielne układy to tak Mu wyślę. Jeśli będzie na oko widać, że więcej to całą elektronikę i tyle.

robertford, w poniedziałek wysyłka. Adres już mam w PW.
Jeszcze raz naprawdę bardzo dziękuję.Nie spodziewazłem się takiego obrotu sprawy. :mrgreen:
Ale zawsze wiedziałem żeto Nasze forum jest inne id pozostałych. Tutaj jast tak bardziej "rodzinnie" jak na innych. Tam to tylko jeden na drugiego najeżdża.
:) ( Ford Escort 1.3i CLX - 1996 ) :)
kolorek morski perełka

------------------------------------------
Jest FORD FOCUS 1.6 - 2002 - LIFT
Illuminati75

Post autor: Illuminati75 »

robertford, na forum od Sro 31 Mar, 2004.

Wg aktualnych danych zaraz po Prezesach :) Tylko rzadko dosyć...
Awatar użytkownika
robertford
Posty: 1894
Rejestracja: 31 mar 2004, 16:52
Lokalizacja: Szczecin
Kontakt:

Post autor: robertford »

Dokładnie tak. Prezesi wiedzą jak się zaczynała kariera tego forum. Jak początki praktycznie tworzone były przez pierwszą trójkę. Swego czasu praktycznie siedziało się całymi dniami, a teraz trochę brakuje czasu. Ale mimo wszystko nie zapominam o forum tak jak to się dzieje z większością ludzi którzy wtedy istnieli na forum i to bardzo znacząco a teraz ich nawet w statystykach nie widzę.
:) ( Ford Escort 1.3i CLX - 1996 ) :)
kolorek morski perełka

------------------------------------------
Jest FORD FOCUS 1.6 - 2002 - LIFT
Awatar użytkownika
Jamszoł
Posty: 22193
Rejestracja: 29 lip 2006, 01:17
Lokalizacja: Kalisz
Pojemność: 2300
Rocznik: 2008
Generacja: MK4
Nadwozie: Kombi
Kontakt:

Post autor: Jamszoł »

robertford pisze:a teraz ich nawet w statystykach nie widzę.
Bo WieSio porobił trochę porządków z duchami :mrgreen:
Oczy 6.11.2010/15.01.2020 [ 28.08.2012_16.30 ]
Awatar użytkownika
robertford
Posty: 1894
Rejestracja: 31 mar 2004, 16:52
Lokalizacja: Szczecin
Kontakt:

Post autor: robertford »

Jamszoł pisze: Bo WieSio porobił trochę porządków z duchami :mrgreen:
No widzę bo postów mi ubyło. :mrgreen:
:) ( Ford Escort 1.3i CLX - 1996 ) :)
kolorek morski perełka

------------------------------------------
Jest FORD FOCUS 1.6 - 2002 - LIFT
Awatar użytkownika
Jamszoł
Posty: 22193
Rejestracja: 29 lip 2006, 01:17
Lokalizacja: Kalisz
Pojemność: 2300
Rocznik: 2008
Generacja: MK4
Nadwozie: Kombi
Kontakt:

Post autor: Jamszoł »

postów ubyło , bo niektóre działy zostały wyłączone z naliczania
Oczy 6.11.2010/15.01.2020 [ 28.08.2012_16.30 ]
Awatar użytkownika
robertford
Posty: 1894
Rejestracja: 31 mar 2004, 16:52
Lokalizacja: Szczecin
Kontakt:

Post autor: robertford »

Nie ma ani końcówki mocy ani innych elementów, a szkoda, radio leży. :cry:
:) ( Ford Escort 1.3i CLX - 1996 ) :)
kolorek morski perełka

------------------------------------------
Jest FORD FOCUS 1.6 - 2002 - LIFT
Illuminati75

Post autor: Illuminati75 »

robertford, na drugi dzień po rozmowie i SMS wysłałem całą elektronikę poleconym. Więc to już w gestii poczty. Dzisiaj jest sobota, więc pewnie w poniedziałek będziesz miał do odbioru. Nie wylutowywałem elementów, całą płytkę Ci wysłałem.
Awatar użytkownika
robertford
Posty: 1894
Rejestracja: 31 mar 2004, 16:52
Lokalizacja: Szczecin
Kontakt:

Post autor: robertford »

OK. Ta nasza poczta :evil:

[ Dodano: Sob 04 Wrz, 2010 ]
Do tej pory nie otrzymałem cześci, a szkoda.
:) ( Ford Escort 1.3i CLX - 1996 ) :)
kolorek morski perełka

------------------------------------------
Jest FORD FOCUS 1.6 - 2002 - LIFT
ODPOWIEDZ