Szukam schematu układu chłodzenia 1,4 MK5 monowtrysk

Moderator: Moderatorzy

Awatar użytkownika
orion
Posty: 3764
Rejestracja: 13 sty 2006, 09:58
Lokalizacja: mazowieckie

Szukam schematu układu chłodzenia 1,4 MK5 monowtrysk

Post autor: orion »

Nie mogę znaleźć na forum dlatego zakładam nowy temat. Potrzebuję czytelnego schematu układu chłodzenia do mk5 1,4 na wtrysku jednopunktowym.
ORION i RS2000 dały mi mnóstwo radości, niestety nie miałem już do nich cierpliwości...
Awatar użytkownika
cidzej
Posty: 11812
Rejestracja: 11 sie 2006, 15:15
Lokalizacja: WE/WI/WW/WSC
Pojemność: 1400
Rocznik: 1996
Generacja: MK7
Nadwozie: Cabrio

Post autor: cidzej »

prosze
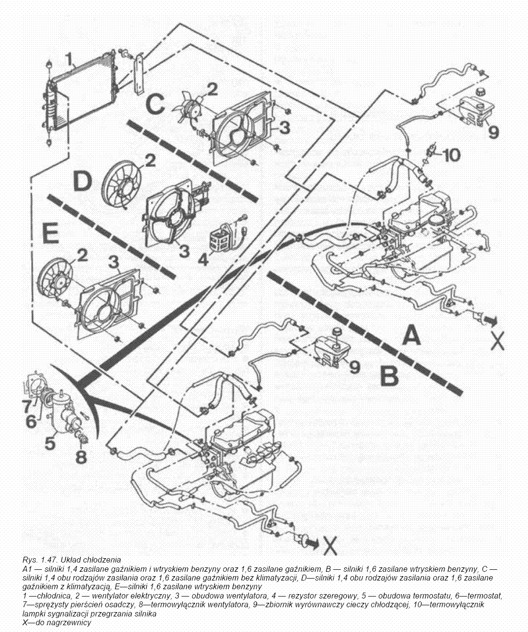
Załączniki
chlodzenie.GIF
Awatar użytkownika
orion
Posty: 3764
Rejestracja: 13 sty 2006, 09:58
Lokalizacja: mazowieckie

Post autor: orion »

dziękuję
ORION i RS2000 dały mi mnóstwo radości, niestety nie miałem już do nich cierpliwości...
Zablokowany