dziwne

Moderator: Moderatorzy

czlowiekdemolka

dziwne

Post autor: czlowiekdemolka »

Witam

Mam pewien problem... Otoz wczoraj bylem na przegladzie (pierwszy od kupna), jakie bylo moje zdziwienie i diagnosty, gdy zobaczylismy ze brakuje kielichow z tylu, sprezyny leza na karoserii(podlozone kawalek gumy zeby nie halasowaly). Oczywiscie przegladu nie dostalem, gosc powiedzial ze nie widzail czegos takiego w calej swojej karierze (ok. 15 lat). Co robic? Może mi ktos podeslac fotki tylnego zawieszenia...
Chodzi o escorta '95 1,6 EFI Kombi.
Pozdrawiam i czekam na pomysly
Awatar użytkownika
ARIEL
Posty: 1933
Rejestracja: 22 sty 2006, 20:33
Lokalizacja: Rybnik-Śląsk
Kontakt:

Post autor: ARIEL »

SPRĘŻNA JEST PRZYMOCOWANA MIĘDZY BELKˇ A PODWOZIE A AMORTYZATORY Sˇ OBOK SPRĘŻYNY
A O KT€RE KIELICHY CI CHODZI NIE KUMAM
fiesta 1.4 tdci
Insignia b 260 KM 2018
insignia2,0 CDTI 200 KM
dpf out chip
dci 1.9 130KM
puntoII 1.2 16v
-FOCUS - GHIA
-FIESTA-GHIA 1.25
-MEGAN CUPE 2.0 LPG
- ESCORT 1.4 COMBI
kiedyś_NIKO

KONTAKT 604285432



-
czlowiekdemolka

Post autor: czlowiekdemolka »

ARIEL-NIKO pisze:SPRĘŻNA JEST PRZYMOCOWANA MIĘDZY BELKˇ A PODWOZIE A AMORTYZATORY Sˇ OBOK SPRĘŻYNY
A O KT€RE KIELICHY CI CHODZI NIE KUMAM
chodzi o element ktory trzyma sprezyny na miejscu przy podwoziu... u mnie jest tam tylko takie male wybrzyszenie karoserii i gumowy krazek, sprzezyny praktycznie trzyma tylko ciezar samochodu
Awatar użytkownika
darcun4
Posty: 3491
Rejestracja: 22 mar 2005, 20:46
Lokalizacja: Toruń

zawiechy

Post autor: darcun4 »

Nie wiem czy takie fotki wystarczą ale sam pod mojego kładł się nie będę :razz:
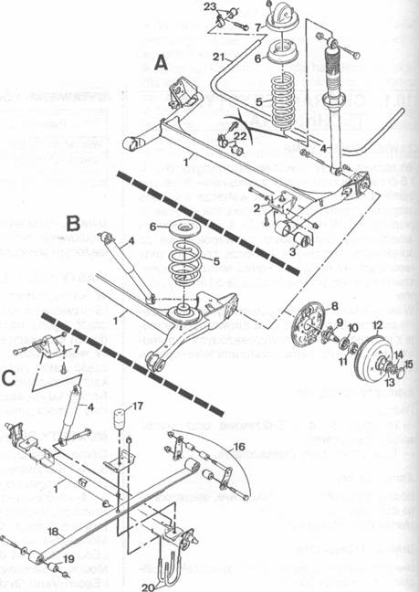
Rys. 10.1. Elementy zawieszenia tylnego

A—limuzyny 3-, 4- i 5-drzwiowe, B — kombi, C—furgonik (Van)

1—belka poprzeczna, 2— wspornik wahacza, 3—tuleja metalowo-gumowa wahacza, 4—amortyzator, 5 — sprężyna zawieszenia, 6 — górna podkładka oporowa sprężyny, 7—wspornik górnego mocowania kolumny resorującej lub amortyzatora, 8—tarcza nośna hamulca, 9—czop piasty koła, 10—pierścień uszczelniający, 11—wewnętrzne łożysko piasty, 12—bęben hamulca, 13—zewnętrzne łożysko piasty, 14—nakrętka czopa piasty koła, 15 —kołpak piasty, 16—wieszak resoru, 17—zderzak gumowy, 18—resorpiórowy, 19—przednia tuleja metalowo-gumowa resoru, 20—jarzmo mocowania belki poprzecznej do resoru, 21 —drążek stabilizatora, 22—jarzmo mocowania drążka stabilizatora, 23—jarzmp mocowania ramienia drążka stabilizatora
Załączniki
image309.jpg
Awatar użytkownika
ARIEL
Posty: 1933
Rejestracja: 22 sty 2006, 20:33
Lokalizacja: Rybnik-Śląsk
Kontakt:

Post autor: ARIEL »

no umnie tak samo małe zgrubnienie
darcun4, ma to na rys B
fiesta 1.4 tdci
Insignia b 260 KM 2018
insignia2,0 CDTI 200 KM
dpf out chip
dci 1.9 130KM
puntoII 1.2 16v
-FOCUS - GHIA
-FIESTA-GHIA 1.25
-MEGAN CUPE 2.0 LPG
- ESCORT 1.4 COMBI
kiedyś_NIKO

KONTAKT 604285432



-
emceha

Post autor: emceha »

Ja tam nie widze żadnego miejsca na mocowanie sprężyny do nadwozia /


Coś mi się wydaje że Pan diagnosta w swojej bujnej 15 letniej karierze nie widział escorta kombi :mrgreen:
czlowiekdemolka

Post autor: czlowiekdemolka »

emceha pisze:Ja tam nie widze żadnego miejsca na mocowanie sprężyny do nadwozia /


Coś mi się wydaje że Pan diagnosta w swojej bujnej 15 letniej karierze nie widział escorta kombi :mrgreen:
no i na to wyglada....


Po dokladnemu przyjrzeniu sie rysunkom, wnioskuje ze mam calkiem inne sprezyny i w tym chyba problem....
Awatar użytkownika
Jamszoł
Posty: 22193
Rejestracja: 29 lip 2006, 01:17
Lokalizacja: Kalisz
Pojemność: 2300
Rocznik: 2008
Generacja: MK4
Nadwozie: Kombi
Kontakt:

Post autor: Jamszoł »

Człowiekdemolka jak ci się nie spieszy to w niedziele wstawie fotki swojego kombiaka mam nowiuśko pomalowane podwozie farbą podkładową ( jasno siwą) to będzie dobrze widać.Dla pewności wstawie 2 zdjątka lewą i prawą stronę.[Jak by kto pytał to podkład akrylowy pod konserwację (Boll) ]
Oczy 6.11.2010/15.01.2020 [ 28.08.2012_16.30 ]
czlowiekdemolka

Post autor: czlowiekdemolka »

jamszoł pisze:Człowiekdemolka jak ci się nie spieszy to w niedziele wstawie fotki swojego kombiaka mam nowiuśko pomalowane podwozie farbą podkładową ( jasno siwą) to będzie dobrze widać.Dla pewności wstawie 2 zdjątka lewą i prawą stronę.[Jak by kto pytał to podkład akrylowy pod konserwację (Boll) ]
fajnie czekam na fotki...
Awatar użytkownika
darcun4
Posty: 3491
Rejestracja: 22 mar 2005, 20:46
Lokalizacja: Toruń

Post autor: darcun4 »

Skąd: /dev/null
a tak OT- gdzie to jest?
Awatar użytkownika
ARIEL
Posty: 1933
Rejestracja: 22 sty 2006, 20:33
Lokalizacja: Rybnik-Śląsk
Kontakt:

Post autor: ARIEL »

emceha pisze:Ja tam nie widze żadnego miejsca na mocowanie sprężyny do nadwozia
własnie nr6 to pokazuje no chyba że ukolegi to zgniło.
czlowiekdemolka, moze ty umisz jakies f otki podesłac twojego combiaka
fiesta 1.4 tdci
Insignia b 260 KM 2018
insignia2,0 CDTI 200 KM
dpf out chip
dci 1.9 130KM
puntoII 1.2 16v
-FOCUS - GHIA
-FIESTA-GHIA 1.25
-MEGAN CUPE 2.0 LPG
- ESCORT 1.4 COMBI
kiedyś_NIKO

KONTAKT 604285432



-
Awatar użytkownika
Jamszoł
Posty: 22193
Rejestracja: 29 lip 2006, 01:17
Lokalizacja: Kalisz
Pojemność: 2300
Rocznik: 2008
Generacja: MK4
Nadwozie: Kombi
Kontakt:

Sprężyny

Post autor: Jamszoł »

Obiecałem fotki więc wstawiam.
Jak powiedziałem koledze diagnoście (diagnostykę mam w mojej firmie) to powiedział , że tamten diagnosta to jakiś nawiedzony schorowany człowiek i powinien się leczyć - ale na nogi bo na głowę to już zapuźno.
Załączniki
Prawa strona  - widok od tyłu
Prawa strona - widok od tyłu
Prawa strona - widok od środka
Prawa strona - widok od środka
Lewa strona - widok od tyłu
Lewa strona - widok od tyłu
Lewa strona - widok od środka
Lewa strona - widok od środka
Oczy 6.11.2010/15.01.2020 [ 28.08.2012_16.30 ]
Awatar użytkownika
ARIEL
Posty: 1933
Rejestracja: 22 sty 2006, 20:33
Lokalizacja: Rybnik-Śląsk
Kontakt:

Post autor: ARIEL »

jamszoł, piekne foto chyba to czlowiekdemolka, wyjasni ci mocowanie sprężyny w combiaku
fiesta 1.4 tdci
Insignia b 260 KM 2018
insignia2,0 CDTI 200 KM
dpf out chip
dci 1.9 130KM
puntoII 1.2 16v
-FOCUS - GHIA
-FIESTA-GHIA 1.25
-MEGAN CUPE 2.0 LPG
- ESCORT 1.4 COMBI
kiedyś_NIKO

KONTAKT 604285432



-
Awatar użytkownika
Jamszoł
Posty: 22193
Rejestracja: 29 lip 2006, 01:17
Lokalizacja: Kalisz
Pojemność: 2300
Rocznik: 2008
Generacja: MK4
Nadwozie: Kombi
Kontakt:

Post autor: Jamszoł »

Dobrze widać bo wóz pod spodem pomalowany jest podkładem akrylowym.Puźniej prysne boll-em .Zdjęcia zrobione aparatem Canon PowerShot A75 w rozdziałce 1024 x 768.
Oczy 6.11.2010/15.01.2020 [ 28.08.2012_16.30 ]
emceha

Post autor: emceha »

ARIEL pisze:własnie nr6 to pokazuje no chyba że ukolegi to zgniło
Dokładnie o to mi chodziło że tam nic innego nie ma. Na zdjęciach Jurka widać to idealnie ;)
ODPOWIEDZ