auto się zepsuło ! ! !

Moderator: Moderatorzy

marcinklb

auto się zepsuło ! ! !

Post autor: marcinklb »

czesc
No i znowu ford się zepsuł. Już mam go powoli dosyć.
A problem jest taki.
Jade sobie autem chyba ze 40 km i pod samym domem wskazówkaod obrotów silnika zaczęła skakać ale obroty po odłosie silnika były dobre. Tylko sama wskazówka zaczęła falować i po 5 sekundach silnik zgasł i nie chciał odpalić. Rozrusznik chodził. Więc dzisiaj po 3 godz ide do auta i odpalam i jest OK. Silniczek chodzi. Jade się przejechać, zrobiłe chyba ze 5 km i znowu przy parkowaniu przed domem wskazówka od obrotów silnika pofalowała chyba ze 2 sekundy i silnik zgazł i znowu się nie da odpalić.
Co to może być ???
O co chodzi z tą wskazówką od obrotów ??? Jakieś zwarcie czy co ??? Jak to sprawdzić i co proponujecie ???

Dodam że szukałem w opcjach "szukaj" ale nic nie znalazłem.

Dzięki za pomoc !
marcinklb

Post autor: marcinklb »

dodam że auto jest z 1991 roku, silnik 1400 + GAZ.
Auto nie chciało zapalić ani na benzynie ani na gazie.
Awatar użytkownika
Jamszoł
Posty: 22193
Rejestracja: 29 lip 2006, 01:17
Lokalizacja: Kalisz
Pojemność: 2300
Rocznik: 2008
Generacja: MK4
Nadwozie: Kombi
Kontakt:

Post autor: Jamszoł »

Podobne objawy występują często w Skodzie Felicji.
Tam przyczyna jest zawsze jedna - czujnik położenia wału do wymiany.
Możliwe , że i u ciebie jest podobnie - pamiętaj , że nie jestem wyrocznią !!!
To jest możliwe ale trzeba by było to jeszcze sprawdzić.
Oczy 6.11.2010/15.01.2020 [ 28.08.2012_16.30 ]
Awatar użytkownika
Yagr
Posty: 14691
Rejestracja: 23 lip 2006, 00:12
Lokalizacja: Kraków
Pojemność: 1598
Rocznik: 2007
Generacja: MK2
Nadwozie: Kombi
Kontakt:

Post autor: Yagr »

takie dziwne objawy może tez dawać walnięta tablica bezpieczników lub jakaś przerwa na wtyczce/kablu któregoś z czujników - może właśnie tego od wału ;) Poruszaj tym kabelkiem a najlepiej to przeczyść wtyczki i potraktuj jakimś kontaktem
Polak potrafi!!



ale mu się nie chce...
a jak mu się zechce...
to potrafi



spieprzyć!

P I W O L E C Z Y !

"wszystko co ma cycki lub koła będzie sprawiało problemy"
marcinklb

Post autor: marcinklb »

koledzy a gdzie te czujniki połorzenia wału się znajdują, może jakiś opis albo zdięcia ???
Pomurzcie.
A może ktoś inny ma jakieś inne pomysły ???
Awatar użytkownika
Yagr
Posty: 14691
Rejestracja: 23 lip 2006, 00:12
Lokalizacja: Kraków
Pojemność: 1598
Rocznik: 2007
Generacja: MK2
Nadwozie: Kombi
Kontakt:

Post autor: Yagr »

marcinklb pisze:Pomurzcie.
to po murzyńsku?? :mrgreen:
opis umiejscowienia czujnika był gdzieś na forum, ale czym ty sie przejmujesz? po prostu posprawdzaj i przeczyść wszystkie wtyczki odchodzące od zespołu napędowego oraz punkty masowe. Jak nie pomoże to pisz.
Polak potrafi!!



ale mu się nie chce...
a jak mu się zechce...
to potrafi



spieprzyć!

P I W O L E C Z Y !

"wszystko co ma cycki lub koła będzie sprawiało problemy"
marcinklb

Post autor: marcinklb »

no może i po murzyńsku hehe...

ale chłopaki mam stresa bo nie chce zaś kasy w naprawę wkładać.
Czyli posprawdzać wszystkie wtyczki od silnika tak ???
hmm???
no posprawdzam ale chyba tak prosto nie bedzie.
marcinklb

Post autor: marcinklb »

ale niech ktoś mi pomoże znaleść gdzie znajduje się ten czujnik połorzenia wału w escorcie bo nie umiem nigdzie tego znaleść
Awatar użytkownika
darcun4
Posty: 3491
Rejestracja: 22 mar 2005, 20:46
Lokalizacja: Toruń

....

Post autor: darcun4 »

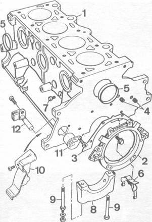
Czujnik położenia i prędkości obrotowej wału korbowego znajduje się z lewej strony kadłuba silnika w tylnej części i jest ustawiony równolegle do koła zamachowego.

Rezystancja: 200 do 450 Om.
Na fotce nr 12
Załączniki
image110.jpg
marcinklb

Post autor: marcinklb »

czesc
szukałem dzisiaj tego czujnika i nie znalazłem. Może ktoś mi zaznaczy na fotce z silnika gdzie on mniej więcej jest ?
Jest on z tyłu silnika czy z przodu i czy dostanę się do tego czujnika połorzenia wału nie wchodząc pod samochud ???
Jaki jest dostęp ?
Obok czego on jest ? Np. obok bagnetu oleju - napiszcie w taki sposub.

Dzisiaj szukałem się się zdenerwowałem bo nic nie widze !
Awatar użytkownika
Jamszoł
Posty: 22193
Rejestracja: 29 lip 2006, 01:17
Lokalizacja: Kalisz
Pojemność: 2300
Rocznik: 2008
Generacja: MK4
Nadwozie: Kombi
Kontakt:

Post autor: Jamszoł »

Jezu - marcinklb, wejdź w elektrykę na stronie głównej tam jako temat przyklejony masz - " Wygląd czujników"i sobie poszukaj - zrobiłem fote więc będziesz widział.
Szukać Ci się nie chce - LEŃ :mrgreen:
Oczy 6.11.2010/15.01.2020 [ 28.08.2012_16.30 ]
marcinklb

Post autor: marcinklb »

nie mój problem nie polega na tym że nie wiem jak ten czujnik wygląda tylko gdzie się on znajduje bo go nie widzę. PO której stronie silnika, czy z przody, czy z tyłu silnika, obok czego on jest ?
Czy łatwy dotęp czy nie ???

Nie jestem LEŃ bo szukam tego cały czas
Awatar użytkownika
Jamszoł
Posty: 22193
Rejestracja: 29 lip 2006, 01:17
Lokalizacja: Kalisz
Pojemność: 2300
Rocznik: 2008
Generacja: MK4
Nadwozie: Kombi
Kontakt:

Post autor: Jamszoł »

Jak staniesz od przodu woza to spójrz w dół na silnik - połączenie silnika z obudową sprzęgła w połowie wysokości obudowy sprzęgła - masz to na dwóch fotach .
Czyli lewa strona silnika - po przeciwnej stronie niż rozrusznik .
Oczy 6.11.2010/15.01.2020 [ 28.08.2012_16.30 ]
Awatar użytkownika
Yagr
Posty: 14691
Rejestracja: 23 lip 2006, 00:12
Lokalizacja: Kraków
Pojemność: 1598
Rocznik: 2007
Generacja: MK2
Nadwozie: Kombi
Kontakt:

Post autor: Yagr »

marcinklb pisze:Nie jestem LEŃ bo szukam tego cały czas
no niech ci będzie ale jak wytłumaczysz że czujnik o który pytasz jest jak BYK widoczny na rysunku który zapodał darcun4, ? Czyli co? nie leń ale niekumaty tak? szukaj tego czujnika od przedniej strony samochodu. jak staniesz przed autem, oprzesz się przedni pas i zerkniesz w dół to pod świecami jest kolektor wydechowy przysłoniety ekranem cieplnym. Na prawo od niego ale jeszcze przed łączeniem ze skrzynią szukaj tego ustrojstwa.
Polak potrafi!!



ale mu się nie chce...
a jak mu się zechce...
to potrafi



spieprzyć!

P I W O L E C Z Y !

"wszystko co ma cycki lub koła będzie sprawiało problemy"
marcinklb

Post autor: marcinklb »

no szukałe i znalazłem takie coś jak na zdięciach.
Czy to to jest ten czujnik ???

Inaczej to wygląda niż na waszych zdięciach ale może to dlatego że mam silnik 1.4, 91r.
Załączniki
DSC00081.JPG
DSC00078.JPG
ODPOWIEDZ