Zgrzytanie skrzyni przy wrzucaniu biegu.
Moderator: Moderatorzy
Zgrzytanie skrzyni przy wrzucaniu biegu.
Witam - mam pytanie ostatnio zaczęła mi zgrzytać skrzynia przy wrzucaniu biegów, a wsteczny to czasem nie da się wrzucic wcale. Czy niski stan oleju (bo wycieka mi przez uszczelniacz z półosi) może powodować takie objawy czy to wina drążka.
- Jamszoł
- Posty: 22194
- Rejestracja: 29 lip 2006, 01:17
- Lokalizacja: Kalisz
- Pojemność: 2300
- Rocznik: 2008
- Generacja: MK4
- Nadwozie: Kombi
- Kontakt:
KuRowSKi, najpierw powiedz no nam tutaj gdzie ci zaczyna brać sprzęgło jak puszczasz pedał sprzęgła.
Jeśli na samym dole ( przy podłodze ) to masz zbyt duży luz na lince i trzeba to wyrególować.
Jeśli będziesz miał zbyt mało oleju w skrzyni to i owszem bedzie zgrzytać ale tutaj dodatkowo skrzynia podczas jazdy będzie wyła .
Jeśli na samym dole ( przy podłodze ) to masz zbyt duży luz na lince i trzeba to wyrególować.
Jeśli będziesz miał zbyt mało oleju w skrzyni to i owszem bedzie zgrzytać ale tutaj dodatkowo skrzynia podczas jazdy będzie wyła .
Oczy 6.11.2010/15.01.2020 [ 28.08.2012_16.30 ]
Skrzynia nie wyje. A sprzęgło łapie tak już w połowie wciśnięcia. A tą linkę idzie jakoś wyregulować bo na skrzyni nie widzę nic do regulacji? Zauważyłem, że jak podczas jazdy wcisnę sprzęgło i tak trzymam, a w tym czasie przerzucam biegi z 3 na 4 i z 4 na 3 to raz zgrzytnie a raz nie biegi wchodzą raczej lekko oprócz wstecznego który rzadko lekko wchodzi i prawie zawsze zgrzyta.
- Jamszoł
- Posty: 22194
- Rejestracja: 29 lip 2006, 01:17
- Lokalizacja: Kalisz
- Pojemność: 2300
- Rocznik: 2008
- Generacja: MK4
- Nadwozie: Kombi
- Kontakt:
Zazwyczaj od bardzo szybkiej zmiany biegów - wtedy obroty wałka zdawczego nie zdążą się wyrównać z obrotami wałka sprzęgłowego .No i od ilości zmian biegów ( poprzedni właściciel możliwe , że mieszkał w mieście i bardzo dynamicznie po nim się poruszał ) .
Nie wiem jaki masz stan oleju ale jeśli zbyt mało to też to ma wpływ.
Jeśli będzie mało oleju to skrzynia jeszcze nie wyje ale już nie ma wystarczającego smarowania.
Nie wiem jaki masz stan oleju ale jeśli zbyt mało to też to ma wpływ.
Jeśli będzie mało oleju to skrzynia jeszcze nie wyje ale już nie ma wystarczającego smarowania.
Oczy 6.11.2010/15.01.2020 [ 28.08.2012_16.30 ]
-
dario200
-
emceha
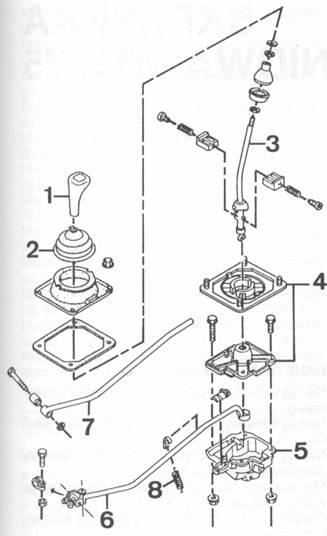
Pytanko: czy rysunek dotyczy również skrzyni MTX75???
Tak czytam sobie wasze posty i widzę że zwracacie uwagę na wiele rzeczy ale mnie się nasuwa jeszcze jedna sprawa. Mianowicie poduszka pod skrzynią (główna). Posprawdzajecie tam. Jak jest strzelona to też może mieć wpływ na płynność (lub jej brak) przełączania biegów
Tak czytam sobie wasze posty i widzę że zwracacie uwagę na wiele rzeczy ale mnie się nasuwa jeszcze jedna sprawa. Mianowicie poduszka pod skrzynią (główna). Posprawdzajecie tam. Jak jest strzelona to też może mieć wpływ na płynność (lub jej brak) przełączania biegów
- Jamszoł
- Posty: 22194
- Rejestracja: 29 lip 2006, 01:17
- Lokalizacja: Kalisz
- Pojemność: 2300
- Rocznik: 2008
- Generacja: MK4
- Nadwozie: Kombi
- Kontakt:
Skrzynia MTX 75
To co znalazłem o MTX-sie
- Załączniki
-
- Skrzynia MTX 75.JPG (94.57 KiB) Przejrzano 11228 razy
Oczy 6.11.2010/15.01.2020 [ 28.08.2012_16.30 ]
- Yagr
- Posty: 14751
- Rejestracja: 23 lip 2006, 00:12
- Lokalizacja: Kraków
- Pojemność: 1598
- Rocznik: 2007
- Generacja: MK2
- Nadwozie: Kombi
- Kontakt:
jeśli poducha pod skrzynią będzie padnięta to wszystkie dziury na drodze będzie czuć na lewarku, będzie latał też przy hamowaniu i przyspieszaniu
Polak potrafi!!
ale mu się nie chce...
a jak mu się zechce...
to potrafi
spieprzyć!
P I W O L E C Z Y !
"wszystko co ma cycki lub koła będzie sprawiało problemy"
ale mu się nie chce...
a jak mu się zechce...
to potrafi
spieprzyć!
P I W O L E C Z Y !
"wszystko co ma cycki lub koła będzie sprawiało problemy"