Problem z pedałem sprzęgła
Moderator: Moderatorzy
-
Gibson
Problem z pedałem sprzęgła
Witam wszystkich. Mam escorta MKV z 92' roku z silnikiem 1.8 b+gaz. Mam problem z pedałem sprzęgła. Mianowicie normalnie chodzi super ale czasami pedał wpada od razu przy naciśnięciu w podłogę, wygląda to tak jakby się urwała linka. Ale po nasiśnięciu ponownie, pedał wraca do normalnego funkcjonowania. Pojeżdzę kilka dni i znowu podobna sytuacja. Wciskam sprzęgło i znowu coś strzela tak jakby się linka urwała. Nacisnę dwa razy i znowu jest ok. Nie jest to może strasznie uciążliwe ale czasem może być niebezpiecznie:( Jak ktoś wie co to może być i jak to naprawić to proszę o pomoc za co z góry dziękuję.
- WieSiu
- Posty: 23687
- Rejestracja: 28 mar 2004, 17:41
- Lokalizacja: Wrocław
- Pojemność: 1600
- Rocznik: 1985
- Generacja: MK3
- Nadwozie: Sedan
- Kontakt:
darcun4 ma racje, mi tez tak wpadal kiedys, dla mnie to bylo uciazliwe,bo tak latwo nie chcial potem wrocic... sprzeglo do tego mialem slabe, wiec pewnego razu gdy na parkingu wpadl mi w podloge pedal, ja walczylem z nim,zeby ruszyc autem,to poszedl az dym ze sprzegla i je dobilem jeszcze bardziej,a wszystko przez wlasnie samoregulator,wiec zrob go czympredzej, na czesciach oryginalnych i przy okazji wymien sprezyny przy nim na nowe, to uratujesz sprzeglo 
Ford Thuderbird 4.6 1996
Escort 2.0 150KM LPG Cabrio 1991
Suzuki Vitara 1998 2.0 V6
Kymco Super 9 LC 2011
x Orion 1.6 79KM 1985 Automat, Lancia Phedra 3.0 204KM 2004, Windstar 3.0 148KM LPG 1997, Escort 1.8TD 90KM Van 1997, Scorpio 2.9 24v 207KM Sedan 1995, Fiesta 1.3 60KM 5D 1996, Escort 1.6 105KM 3D 1996, Escort 1.8 TD 70KM Van 1999, Puma 1.7 125KM 1998, Escort 1.8 TD 90KM Kombi Ghia 1996, Escort 1.3 60KM LPG 5D 1994/1995, Skoda 105 1984 a potem 1982
Escort 2.0 150KM LPG Cabrio 1991
Suzuki Vitara 1998 2.0 V6
Kymco Super 9 LC 2011
x Orion 1.6 79KM 1985 Automat, Lancia Phedra 3.0 204KM 2004, Windstar 3.0 148KM LPG 1997, Escort 1.8TD 90KM Van 1997, Scorpio 2.9 24v 207KM Sedan 1995, Fiesta 1.3 60KM 5D 1996, Escort 1.6 105KM 3D 1996, Escort 1.8 TD 70KM Van 1999, Puma 1.7 125KM 1998, Escort 1.8 TD 90KM Kombi Ghia 1996, Escort 1.3 60KM LPG 5D 1994/1995, Skoda 105 1984 a potem 1982
-
Gibson
-
Mariusz
-
fido
Re: Problem z pedałem sprzęgła
u mnie bylo podobnie i sie okazalo samoregulator sprzeglaGibson pisze:Witam wszystkich. Mam escorta MKV z 92' roku z silnikiem 1.8 b+gaz. Mam problem z pedałem sprzęgła. Mianowicie normalnie chodzi super ale czasami pedał wpada od razu przy naciśnięciu w podłogę, wygląda to tak jakby się urwała linka. Ale po nasiśnięciu ponownie, pedał wraca do normalnego funkcjonowania. Pojeżdzę kilka dni i znowu podobna sytuacja. Wciskam sprzęgło i znowu coś strzela tak jakby się linka urwała. Nacisnę dwa razy i znowu jest ok. Nie jest to może strasznie uciążliwe ale czasem może być niebezpiecznie:( Jak ktoś wie co to może być i jak to naprawić to proszę o pomoc za co z góry dziękuję.
Pewnie że dasz radę, chociaż samemu to przy tej pogodzie pół dnia w d... pie.Gibson pisze:bo może wymieniłbym sobie sam
Sprawdź zanim kupisz na swoim jaki masz KOLOR tego samonapinacza i bierz taki sam.
He he mnie ta przygoda spotkała jeszcze Sierrą na moście. Myślałem,że ją od razu z niego w.....ę do tej Wisły.Pchałem prawie przez całą długość.WieSiu pisze:darcun4 ma racje, mi tez tak wpadal kiedys
-
Gibson
-
Kris Don Pedro
Darcun4 pytanie: mam ten sam problem - strzela mi coś w pedale sprzęgła ostatnio coraz częściej. Po strzeleniu delikatnie wpada pedał do "środka". Czy możesz napisać jak to wymienileś bo przejrzałem ksiązkę i mam problem tzn gdzie jest ten samo napinacz bo wydaje mi się że w kabinie ten wycinek zębaty z zapadką.
-
fido
z tego co pamieta to samonapinacz jest w kabinie przy pedala sprzeglaKris Don Pedro pisze:Darcun4 pytanie: mam ten sam problem - strzela mi coś w pedale sprzęgła ostatnio coraz częściej. Po strzeleniu delikatnie wpada pedał do "środka". Czy możesz napisać jak to wymienileś bo przejrzałem ksiązkę i mam problem tzn gdzie jest ten samo napinacz bo wydaje mi się że w kabinie ten wycinek zębaty z zapadką.
- WieSiu
- Posty: 23687
- Rejestracja: 28 mar 2004, 17:41
- Lokalizacja: Wrocław
- Pojemność: 1600
- Rocznik: 1985
- Generacja: MK3
- Nadwozie: Sedan
- Kontakt:
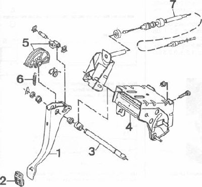
samoregulator to na zdjeciu numer 5 i 6 (5 to samoregulator, a 6 to sprezyna). Warto wszystko wymienic,albo tylko sam samoregulator i sprezyny ponaciagac, zeby silniej ciagnely. Dlatego mowie zeby wymienic wszystko, bo ja tak mialem ze wymienialem sam samoregulator i dajel przeskakiwalo,bo nie trzymala sprezyna widoczna na prawo do polksiezyca na fotce
Ford Thuderbird 4.6 1996
Escort 2.0 150KM LPG Cabrio 1991
Suzuki Vitara 1998 2.0 V6
Kymco Super 9 LC 2011
x Orion 1.6 79KM 1985 Automat, Lancia Phedra 3.0 204KM 2004, Windstar 3.0 148KM LPG 1997, Escort 1.8TD 90KM Van 1997, Scorpio 2.9 24v 207KM Sedan 1995, Fiesta 1.3 60KM 5D 1996, Escort 1.6 105KM 3D 1996, Escort 1.8 TD 70KM Van 1999, Puma 1.7 125KM 1998, Escort 1.8 TD 90KM Kombi Ghia 1996, Escort 1.3 60KM LPG 5D 1994/1995, Skoda 105 1984 a potem 1982
Escort 2.0 150KM LPG Cabrio 1991
Suzuki Vitara 1998 2.0 V6
Kymco Super 9 LC 2011
x Orion 1.6 79KM 1985 Automat, Lancia Phedra 3.0 204KM 2004, Windstar 3.0 148KM LPG 1997, Escort 1.8TD 90KM Van 1997, Scorpio 2.9 24v 207KM Sedan 1995, Fiesta 1.3 60KM 5D 1996, Escort 1.6 105KM 3D 1996, Escort 1.8 TD 70KM Van 1999, Puma 1.7 125KM 1998, Escort 1.8 TD 90KM Kombi Ghia 1996, Escort 1.3 60KM LPG 5D 1994/1995, Skoda 105 1984 a potem 1982
Słusznie. Koszt nowego kompletu to o ile pamiętam ok. 70 PLN.WieSiu pisze:wymienialem sam samoregulator i dajel przeskakiwalo,bo nie trzymala sprezyna widoczna na prawo do polksiezyca
Robota przekichana, bo praktycznie trzeba zdemontować wszystkie pedały wraz z rozsprzęgleniem serwa od pedału hamulca, aby wyciągnąć wspólną oś (na rys. nr 3 ) na której wisi - gaz, hamulec i sprzęgło.Dalej mając to na zewnątrz pojazdu-prościzna.
W escorcie całe szczęście jeszcze mnie to nie spotkało ale myślę, że jest to rozwiązane tak samo jak w sierze.
Wyżej pisałem o KOLORZE chociaż nie wiem dlaczego to takie ważne, ale babeczka w sklepie (w częściach samochodowych zagina niejednego mechaniora
-
Gibson
-
slawkiewi