dokładnie,tak jest u mnieJamszoł pisze:Pytanie - co Ci przeszkadza , jak lampka zaświeci się w zamknietych drzwiach ?
Przecie i tak tego nie będzie widać
POdświetlenie nóg i lampka w drzwiach
Moderator: Moderatorzy
-
kris
Więc spoko jeszcze nad tym pomyślę. Skoro wszyscy mają 4 na raz to może uda mi się coś innego wykombinować.
Po prawdzie tylne drzwi nie mają włącznika po otwarciu, więc i tak musiał bym go dokładać
[ Dodano: Sob 26 Gru, 2015 ]
Ktoś już się tym bawił ze sukcesem
Po prawdzie tylne drzwi nie mają włącznika po otwarciu, więc i tak musiał bym go dokładać
[ Dodano: Sob 26 Gru, 2015 ]
Ktoś już się tym bawił ze sukcesem
Kod: Zaznacz cały
http://www.motonews.pl/sh_forum.php?op=fvt&t=174054&orderby=asc&start=320- Yagr
- Posty: 14681
- Rejestracja: 23 lip 2006, 00:12
- Lokalizacja: Kraków
- Pojemność: 1598
- Rocznik: 2007
- Generacja: MK2
- Nadwozie: Kombi
- Kontakt:
Krańcówka drzwi kierowcy jest osobno - reszta razem, gdyby tak nie było to brzęczyk zapalonych świateł darłby się przy otwarciu każdych drzwi
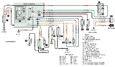
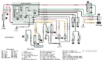
Jeśli nie masz krańcówek w tylnych drzwiach to fabrycznie są pociągnięte do instalacji przednich drzwi pasażera. Poniżej masz schemat oświetlenia wnetrza
Polak potrafi!!
ale mu się nie chce...
a jak mu się zechce...
to potrafi
spieprzyć!
P I W O L E C Z Y !
"wszystko co ma cycki lub koła będzie sprawiało problemy"
ale mu się nie chce...
a jak mu się zechce...
to potrafi
spieprzyć!
P I W O L E C Z Y !
"wszystko co ma cycki lub koła będzie sprawiało problemy"
- WieSiu
- Posty: 23672
- Rejestracja: 28 mar 2004, 17:41
- Lokalizacja: Wrocław
- Pojemność: 1600
- Rocznik: 1985
- Generacja: MK3
- Nadwozie: Sedan
- Kontakt:
Chyba ta krancowka od kierowcy jest izlolowana dioda prostownicza
Ford Thuderbird 4.6 1996
Escort 2.0 150KM LPG Cabrio 1991
Suzuki Vitara 1998 2.0 V6
Kymco Super 9 LC 2011
x Orion 1.6 79KM 1985 Automat, Lancia Phedra 3.0 204KM 2004, Windstar 3.0 148KM LPG 1997, Escort 1.8TD 90KM Van 1997, Scorpio 2.9 24v 207KM Sedan 1995, Fiesta 1.3 60KM 5D 1996, Escort 1.6 105KM 3D 1996, Escort 1.8 TD 70KM Van 1999, Puma 1.7 125KM 1998, Escort 1.8 TD 90KM Kombi Ghia 1996, Escort 1.3 60KM LPG 5D 1994/1995, Skoda 105 1984 a potem 1982
Escort 2.0 150KM LPG Cabrio 1991
Suzuki Vitara 1998 2.0 V6
Kymco Super 9 LC 2011
x Orion 1.6 79KM 1985 Automat, Lancia Phedra 3.0 204KM 2004, Windstar 3.0 148KM LPG 1997, Escort 1.8TD 90KM Van 1997, Scorpio 2.9 24v 207KM Sedan 1995, Fiesta 1.3 60KM 5D 1996, Escort 1.6 105KM 3D 1996, Escort 1.8 TD 70KM Van 1999, Puma 1.7 125KM 1998, Escort 1.8 TD 90KM Kombi Ghia 1996, Escort 1.3 60KM LPG 5D 1994/1995, Skoda 105 1984 a potem 1982
Yagr
Super dzięki Instalacja ma tylko dwie krańcówki , więc dwie i tak choć nieprzewidziane to trza dołożyć ,,a tu widzę ,że to schemat do anglika stąd piszesz że krańcówka kierowcy jest osobno ale widzę że ma sterowanie na buzzer 58 i 59 to podświetlenie nóg więc też jest przewidziane i poszukam u siebie pomarańczowo-białego kabelka 0.75 wraz z czarno białym 0.75
To miał bym załatwione podświetlenie nóg z czasowym wyłączaniem po 20 s bezruchu albo po włączeniu zapłonu
A jeszcze pomyślę nad zastosowaniem przekaźnika ogrzewania szyb (zielony i bez różnicy przód czy tył) ma czas 10 min więc spoko nawet jak latem drzwi nie zamknę słuchając np. muzyki to i tak lampki zgasną po 10 min chroniąc aku
Super dzięki Instalacja ma tylko dwie krańcówki , więc dwie i tak choć nieprzewidziane to trza dołożyć ,,a tu widzę ,że to schemat do anglika stąd piszesz że krańcówka kierowcy jest osobno ale widzę że ma sterowanie na buzzer 58 i 59 to podświetlenie nóg więc też jest przewidziane i poszukam u siebie pomarańczowo-białego kabelka 0.75 wraz z czarno białym 0.75
To miał bym załatwione podświetlenie nóg z czasowym wyłączaniem po 20 s bezruchu albo po włączeniu zapłonu
A jeszcze pomyślę nad zastosowaniem przekaźnika ogrzewania szyb (zielony i bez różnicy przód czy tył) ma czas 10 min więc spoko nawet jak latem drzwi nie zamknę słuchając np. muzyki to i tak lampki zgasną po 10 min chroniąc aku
-
kris
- Yagr
- Posty: 14681
- Rejestracja: 23 lip 2006, 00:12
- Lokalizacja: Kraków
- Pojemność: 1598
- Rocznik: 2007
- Generacja: MK2
- Nadwozie: Kombi
- Kontakt:
leon167, no to masz, specjalnie dla ciebie wersja schematu nie-anglika 4-drzwiowego z podpięciem krańcówek tylnych drzwi tak jak było w oryginale 
Ale za kolory kabelków przy tych krańcówkach głowy dać nie mogę...
Ale za kolory kabelków przy tych krańcówkach głowy dać nie mogę...
Polak potrafi!!
ale mu się nie chce...
a jak mu się zechce...
to potrafi
spieprzyć!
P I W O L E C Z Y !
"wszystko co ma cycki lub koła będzie sprawiało problemy"
ale mu się nie chce...
a jak mu się zechce...
to potrafi
spieprzyć!
P I W O L E C Z Y !
"wszystko co ma cycki lub koła będzie sprawiało problemy"
Yagr,
Dzięki , poradzę sobie i na poprzednim schemacie i bez kolorków kabli jeśli są mylące bo nóżka 30 przekaźnika mnie poprowadzi do wtyczki na odpowiedni pin i dalej do kabelkologii
Widzę że escort miał także przewidzianą instalację podgrzewanych spryskiwaczy przedniej szyby ale to już podeprę się instalacją takową np z focusa mk2
Logistycznie już mam to jako tako ogarnięte i jeszcze potrzebuję przekaźnik dający impuls ( typu przekaźnik spryskiwaczy xenonów) i nie wiem czy takowe z innych samochodów na opel dają tylko impuls a to będzie chyba niezbędne dla zainicjowania przekaźnika ogrzewania szyb . Więc w tym temacie jeszcze mam sporo do poczytania
kris
Takowe żaróweczki led zakładałem córce do focusa mk2 bo tam znalazłem oprawki i podobnie chcę zrobić u siebie ale to nie jest jakimś priorytetem i na spokojnie
Dzięki , poradzę sobie i na poprzednim schemacie i bez kolorków kabli jeśli są mylące bo nóżka 30 przekaźnika mnie poprowadzi do wtyczki na odpowiedni pin i dalej do kabelkologii
Widzę że escort miał także przewidzianą instalację podgrzewanych spryskiwaczy przedniej szyby ale to już podeprę się instalacją takową np z focusa mk2
Logistycznie już mam to jako tako ogarnięte i jeszcze potrzebuję przekaźnik dający impuls ( typu przekaźnik spryskiwaczy xenonów) i nie wiem czy takowe z innych samochodów na opel dają tylko impuls a to będzie chyba niezbędne dla zainicjowania przekaźnika ogrzewania szyb . Więc w tym temacie jeszcze mam sporo do poczytania
kris
Takowe żaróweczki led zakładałem córce do focusa mk2 bo tam znalazłem oprawki i podobnie chcę zrobić u siebie ale to nie jest jakimś priorytetem i na spokojnie
Re: POdświetlenie nóg i lampka w drzwiach
Wraca mi temat oświetlenia wewnętrznego i cósik mi się popsuło . Swiatełko wnętrza świeci na stałe tak jakbym miał walniętą krańcówkę albo zwarty do masy któryś z przewodów krańcówki . Dziś pomierzyłem wejścia wyjscia i wygląda mi że skrzynka przekaźników i sam przekaźnik opóźnienia są OK . Po wyjęciu przekaźnika opóźnienia lampka wnętrza i podświetlenie stóp nie świecą więc wygląda że masa sterująca tym procesem jest gdzieś przed skrzynką włączona . dziwne bo buzer działa prawidłowo więc jakby krańcówka drzwi pasażera szwankowała ale ją odkręcałem i nie było efektu . Więc chyba instalacja po drodze mi szwankuje . Ogarniałem dziś schemat i kabel czarno czerwony idzie na wtryczkę C3905a/4 (spód skrzynki CJB ) więc chyba tam będę musiał wypiąć ten pin i zrobić obejście na krańcówkę by sprawdzić te sterowanie masą . Każda sugestia mile widziana ... jak i wasze w tym doświadczenia
- Yagr
- Posty: 14681
- Rejestracja: 23 lip 2006, 00:12
- Lokalizacja: Kraków
- Pojemność: 1598
- Rocznik: 2007
- Generacja: MK2
- Nadwozie: Kombi
- Kontakt:
Re: POdświetlenie nóg i lampka w drzwiach
Ja wiem że to głupio zabrzmi ale czasami o takiej oczywistości się zapomina - włącznik w lampce jest w odpowiednim położeniu i nie zwiera dodatkowo?
Polak potrafi!!
ale mu się nie chce...
a jak mu się zechce...
to potrafi
spieprzyć!
P I W O L E C Z Y !
"wszystko co ma cycki lub koła będzie sprawiało problemy"
ale mu się nie chce...
a jak mu się zechce...
to potrafi
spieprzyć!
P I W O L E C Z Y !
"wszystko co ma cycki lub koła będzie sprawiało problemy"
- WieSiu
- Posty: 23672
- Rejestracja: 28 mar 2004, 17:41
- Lokalizacja: Wrocław
- Pojemność: 1600
- Rocznik: 1985
- Generacja: MK3
- Nadwozie: Sedan
- Kontakt:
Re: POdświetlenie nóg i lampka w drzwiach
A ja bym przyjrzał się przekaznikowi od oświetlenia, lubią się popsuć. Daj zwore zamiast przekaźnika i zobacz czy sterowanie oświetleniem działa prawidłowo (bez 20 sekundowego opóźnienia wtedy)
Ford Thuderbird 4.6 1996
Escort 2.0 150KM LPG Cabrio 1991
Suzuki Vitara 1998 2.0 V6
Kymco Super 9 LC 2011
x Orion 1.6 79KM 1985 Automat, Lancia Phedra 3.0 204KM 2004, Windstar 3.0 148KM LPG 1997, Escort 1.8TD 90KM Van 1997, Scorpio 2.9 24v 207KM Sedan 1995, Fiesta 1.3 60KM 5D 1996, Escort 1.6 105KM 3D 1996, Escort 1.8 TD 70KM Van 1999, Puma 1.7 125KM 1998, Escort 1.8 TD 90KM Kombi Ghia 1996, Escort 1.3 60KM LPG 5D 1994/1995, Skoda 105 1984 a potem 1982
Escort 2.0 150KM LPG Cabrio 1991
Suzuki Vitara 1998 2.0 V6
Kymco Super 9 LC 2011
x Orion 1.6 79KM 1985 Automat, Lancia Phedra 3.0 204KM 2004, Windstar 3.0 148KM LPG 1997, Escort 1.8TD 90KM Van 1997, Scorpio 2.9 24v 207KM Sedan 1995, Fiesta 1.3 60KM 5D 1996, Escort 1.6 105KM 3D 1996, Escort 1.8 TD 70KM Van 1999, Puma 1.7 125KM 1998, Escort 1.8 TD 90KM Kombi Ghia 1996, Escort 1.3 60KM LPG 5D 1994/1995, Skoda 105 1984 a potem 1982
Re: POdświetlenie nóg i lampka w drzwiach
Że zworką sprawdzałem i jest tak samo oświetlenie świeci cały czas
- WieSiu
- Posty: 23672
- Rejestracja: 28 mar 2004, 17:41
- Lokalizacja: Wrocław
- Pojemność: 1600
- Rocznik: 1985
- Generacja: MK3
- Nadwozie: Sedan
- Kontakt:
Re: POdświetlenie nóg i lampka w drzwiach
to rzeczywiscie cos sie przywarło 
Ford Thuderbird 4.6 1996
Escort 2.0 150KM LPG Cabrio 1991
Suzuki Vitara 1998 2.0 V6
Kymco Super 9 LC 2011
x Orion 1.6 79KM 1985 Automat, Lancia Phedra 3.0 204KM 2004, Windstar 3.0 148KM LPG 1997, Escort 1.8TD 90KM Van 1997, Scorpio 2.9 24v 207KM Sedan 1995, Fiesta 1.3 60KM 5D 1996, Escort 1.6 105KM 3D 1996, Escort 1.8 TD 70KM Van 1999, Puma 1.7 125KM 1998, Escort 1.8 TD 90KM Kombi Ghia 1996, Escort 1.3 60KM LPG 5D 1994/1995, Skoda 105 1984 a potem 1982
Escort 2.0 150KM LPG Cabrio 1991
Suzuki Vitara 1998 2.0 V6
Kymco Super 9 LC 2011
x Orion 1.6 79KM 1985 Automat, Lancia Phedra 3.0 204KM 2004, Windstar 3.0 148KM LPG 1997, Escort 1.8TD 90KM Van 1997, Scorpio 2.9 24v 207KM Sedan 1995, Fiesta 1.3 60KM 5D 1996, Escort 1.6 105KM 3D 1996, Escort 1.8 TD 70KM Van 1999, Puma 1.7 125KM 1998, Escort 1.8 TD 90KM Kombi Ghia 1996, Escort 1.3 60KM LPG 5D 1994/1995, Skoda 105 1984 a potem 1982
- cidzej
- Posty: 11799
- Rejestracja: 11 sie 2006, 15:15
- Lokalizacja: WE/WI/WW/WSC
- Pojemność: 1400
- Rocznik: 1996
- Generacja: MK7
- Nadwozie: Cabrio
Re: POdświetlenie nóg i lampka w drzwiach
A moze alarm (jesli masz podpiety)